

此焊接頭在銅、鋁、不銹鋼、碳鋼等金屬焊接應用中有
很強的優勢,是一款經濟高效的焊接頭
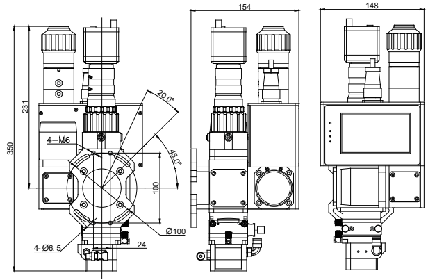
焊接頭采用雙振鏡電機驅動,具有多種擺動焊接模式,
滿足各種焊接需求
4.3寸電容觸摸屏,集成操控,操作簡單、方便,可選配
內置CCD成像功能
可配各種帶QBH接頭的激光器
全光學及本體水冷,提高焊接頭的穩定性及使用壽命
穩定可靠可承載6000W功率
|
技術參數/ Technical parameter |
|
|
[敏感詞]功率 |
6000W |
|
準直 / 聚焦焦距 |
F125/F200 F250/300 |
|
擺動范圍 |
0.1—5mm |
|
冷卻方式 |
水冷 |
|
擺動頻率 |
0—300Hz |
|
重量 |
4.6KG |
|
選配 |
同軸、風刀、送絲機構、側吹、紅光支架 |